|
Forums27
Topics3,710
Posts6,899
Members59
| |
Most Online425 Oct 19th, 2025
|
|
|
#2147 - 11/22/07 04:29 PM
Re: passive theft-deterrent system
[Re: teamzr1]
|
Joined: Dec 2000
Posts: 6,033
teamzr1
Owner - Pays the bills
|
Owner - Pays the bills
Lives in Engine Bay

Joined: Dec 2000
Posts: 6,033
America
|
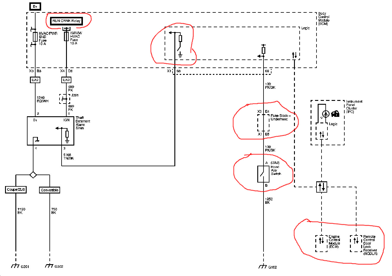
Document ID# 1911419 2008 Chevrolet Corvette
Immobilizer Description and Operation Immobilizer System The immobilizer system is incorporated into the remote control door lock receiver (RCDLR). The immobilizer is provided in order to prevent the vehicle operation if an incorrect or unprogrammed keyless entry transmitter is used in an attempt to start the vehicle. When the ignition button is pressed, the backup keyless entry antenna broadcasts a challenge to the transmitter. Both the RCDLR and the transmitter perform a calculation based on this challenge. The transmitter will transmit its calculation result to the RCDLR via radio frequency (RF). If both calculations match, vehicle starting will be allowed. This is accomplished by the RCDLR sending a fuel enable message to the engine control module (ECM).
The design of the immobilizer system is to prevent vehicle theft by disabling the engine unless the correct transmitter is present when attempting to start the vehicle. The system is similar in concept to conventional immobilizer system which use a normal vehicle key. The components of the immobilizer system are as follows:
The start button
The #1-#4 keyless entry transmitters
The backup keyless entry antenna
The body control module (BCM)
The RCDLR
The security indicator
The ECM
Start Button The start button is located at the right side of the steering column, on the instrument panel. The start button is used to start the vehicle engine, turn OFF the vehicle, put the vehicle in ACC mode, or put the vehicle in RUN mode.
The start button signals the body control module (BCM) to ground the Run/Crank control relay which will then feed power to the Crank relay in the under hood fuse block. The BCM also simultaneously send a serial data message to the engine control module (ECM) to ground the starter enable relay to allow power to the starter solenoid and starter motor.
Keyless Entry Transmitters The keyless entry transmitters are not only used to passively or actively lock and unlock the vehicle, they are also used to allow vehicle starting. If the remote control door lock receiver (RCDLR) does not receive a valid RF response after the transmitter is challenged, the RCDLR will not send a fuel enable message to the engine control module (ECM). If the RCDLR is unable to establish communication with the transmitter during an attempted engine start, the NO FOB DETECTED message will display on the driver information center (DIC).
When any one of the 4 allowable programmed key fobs are challenged by pressing the start button, they will passively send a RF signal to the RCDLR. The RCDLR will then send a serial data message to the engine control module (ECM) to enable engine starting.
Keyless Entry Antenna - Backup The backup keyless entry antenna is located in the glove box area. It has a small pocket next to it where the transmitter can be inserted if the transmitter battery is dead, weak, or the RF signal is being interrupted.
The purpose of the backup keyless entry antenna is to send a low frequency RF challenge to a programmed transmitter within the interior of the vehicle when the start button is pressed. The backup keyless entry antenna is controlled by the remote control door lock receiver (RCDLR).
Body Control Module (BCM) Important: The remote control door lock receiver (RCDLR) does not communicate on the GM LAN high speed bus. The RCDLR and the engine control module (ECM) use the BCM as a gateway in order to communicate.
The body control module is a multi-function module. The body control module (BCM) is used in the immobilizer system as a gateway for the RCDLR to send a fuel enable message to the ECM.
Remote Control Door Lock Receiver (RCDLR) Important: The RCDLR does not communicate on the GM LAN high speed bus. The RCDLR and the engine control module (ECM) use the body control module (BCM) as a gateway in order to communicate.
The backup keyless entry antenna is controlled by the RCDLR. The RCDLR also controls three other low frequency antennas used for passive vehicle entry, but not for immobilizer operations. The RCDLR will send an AC voltage signal and provide ground to the backup keyless entry antenna when the ignition button is pressed. This will enable the backup keyless entry antenna to send out a low frequency broadcast challenge to a transmitter. The RCDLR also has an internal radio frequency (RF) antenna to receive the transmitters passively or actively sent responses. The RCDLR is responsible for sending the fuel enable message to the ECM if all the requirements are met.
Security Indicator The security indicator appears on the instrument cluster. If the security indicator flashes or is illuminated continuously during vehicle operation, a malfunction exists within the immobilizer system. The security indicator is a dual purpose indicator. With the ignition OFF, the indicator it is controlled by the body control module (BCM) as a status indicator for the content theft deterrent system. With the ignition ON, it is controlled by the immobilizer system as a fault indicator.
Engine Control Module (ECM) Important: The remote control door lock receiver (RCDLR) does not communicate on the GM LAN high speed bus. The RCDLR and the ECM use the body control module (BCM) as a gateway in order to communicate.
The ECM communicates with the BCM and the RCDLR over the serial data line. If the RCDLR receives a valid transmitter RF response, the RCDLR will send the fuel enable message to the ECM to enable the starting system. If the RCDLR does not receive a valid response from the transmitter, the RCDLR will send the fuel disable message, indicating to the ECM that vehicle starting should not be allowed. Additionally, if the fuel enable password received by the ECM does match the stored password, vehicle starting will be disabled.
|
|
|
|
|
0 registered members (),
9
guests, and
6
spiders. |
|
Key:
Admin,
Global Mod,
Mod
|
|
|