Team ZR-1 Corvette Racers
Custom Tuning
>Enter Here
Test and Tune
Common Information
C8 Driver causes 5 car crash
by teamzr1. 11/03/25 06:22 PM
1954 & 1959 C1s Barn Finds
by teamzr1. 11/03/25 12:39 PM
2025 IMSA Champs
by teamzr1. 10/29/25 03:34 PM
Corvette 1953-2025
by teamzr1. 10/27/25 12:57 PM
GT World Challenge America’s Last Season Race
by teamzr1. 10/18/25 05:42 PM
Corvette European Le Mans Series championship
by teamzr1. 10/18/25 05:37 PM
2 Cops Caught Street Racing in Corvettes
by teamzr1. 10/15/25 03:09 PM
Newer Corvettes
Only Owned 1 Day ZR1 Crashes & Killing Two
by teamzr1. 11/12/25 08:54 AM
Sick Prices for a Flipper 2026 ZR1
by teamzr1. 11/11/25 05:37 PM
Rumors - C8 GS & 6.6L Engines
by teamzr1. 11/11/25 09:51 AM
ZR1 fastest Rear-wheel Edmunds has Tested
by teamzr1. 11/08/25 06:40 PM
Must sign this when buying a new 2026 C8
by teamzr1. 11/06/25 02:14 PM
Tech Talk
TTY - Torque To Yield Fastners
by teamzr1. 10/31/25 03:03 PM
C2 Production Codes
by teamzr1. 10/27/25 01:47 PM
Forum Statistics
Forums27
Topics3,692
Posts6,877
Members59
Most Online425
Oct 19th, 2025
Previous Thread
Next Thread
Print Thread
Rate This Thread
Page 1 of 3 1 2 3
#2794 - 09/24/08 01:48 PM Injectors offset voltage times not created equal  
Joined: Dec 2000
Posts: 6,011
teamzr1 Online happy
Owner - Pays the bills
teamzr1  Online Happy
Owner - Pays the bills
Lives in Engine Bay

Joined: Dec 2000
Posts: 6,011
America
This testcase was about seeing how much different fuel injector brands require a different time delay set within the PCM injector offset voltage time table and air/fuel multiplier table.

Installed in our 1999 C5 372 stroker engine was the GM C5R 42 lb injector. The fuel trims cells were right on at about 0% readings for the long and short term fuel trims

Thanks to teammate Mark D for donating his used SV030 36 lb injectors that we swapped in with the C5Rs.

First we did a tune making the injector flow with the difference of using stock 28 lb GM injectors to the 36s.
You see from the results in doing so the fuel trims were way too lean due to the makeup of this stroker engine.

We then made fuel flow changes in another tune to make up for that but fuel trims were still a bit too lean and testruns showed engine was sluggish.

We analyzed all the OBD data and then made changes to the injector offset voltage and air/fuel multiplier tables and tested that to find the internal coil of the SVO30 injectors required more delay time for the coil to react.

We the proper values put in those tables as you see those changes alone caused the fuel trims to get richer, the engine response times were better and the fuel mileage bettered by 2 MPG.

You also notice as the offset times were set to more suit the injector that the left/right fuel imbalance decreased

This clearly shows not all injector coil reaction times are the same and must be factored in when changing injector brands.


Attached Files svo30trims.jpgsvo30trims6.jpgsvo20trims1.jpgoffset.jpgfuelmult.jpg

Team ZR-1
True Custom Performance Tuning
Teamzr1.com
Team ZR-1 Store
Enter Here
#2801 - 09/27/08 08:22 PM Re: Injectors offset voltage times not created equal [Re: teamzr1]  
Joined: Dec 2000
Posts: 6,011
teamzr1 Online happy
Owner - Pays the bills
teamzr1  Online Happy
Owner - Pays the bills
Lives in Engine Bay

Joined: Dec 2000
Posts: 6,011
America
The PCM determines how long the fuel injectors will be pulsed on to meet the fuel needs as what the feedback sensors such as the 02 report.

The PCM though needs to command the injectors on at the right time else the fuel could be flowing too early or late to when the sparkplug is being fired on and what position the cylinder cycle is.

The PCM has no way of knowing how slow or fast the internal coil of injector is. Each brand or size of injector's coil reacts differently.

Inside the PCM calibration is a injector offset voltage table related to engine vaccum/MAP and battery voltage.
This is the measured voltage at the PCM and not at the battery since there is some voltage loss.

GM in testing the stock injector knew what the delay time was and added that delay time in mSecs to the table.

Now when the PCM commands an injector on the delay time is added to the pulse width time

The problem is when the voltage changes the PCM has to adjust to assure the proper fuel flow is commanded.

If the car, battery or alt has a problem and the voltage is low, the PCM then has to add more of a delay time to bring the proper fuel volume in control so it is important for you to monitor voltage and know if voltage is lower then of course the PCM is in fact commanding the pulse width on longer which effects fuel trims and performance

Suppose you add a 0.5 millisecond (ms) offset to that table at your normal battery operating voltage.
If the PCM calculates an idle pulsewidth of 2.0 milliseconds before applying the offset, the final pulsewidth after adding the offset will be 2.5 milliseconds.

The absolute change is 0.5 milliseconds, and the relative change caused by the .5 ms offset is 0.5 / 2.0 = 0.25, or 25%. This is a big change!

Now suppose the PCM calculates a WOT pulsewidth of 15.0 milliseconds before applying the same 0.5 ms offset.

After applying the offset the pulsewidth becomes 15.5 milliseconds. In this case, while the absolute change is still 0.5, the relative change caused by the offset is only 0.5/15.0 = 0.03, or 3%. The same offset has almost no affect on large pulsewidths.

Since not all injectors are made equal it is important then when changing injectors is a MUST to correctly change the offset times to assure proper fuel flow and injector being commanded ON when the sparkplug is also fired off.
Demand from the seller they provide the specs for the injector including what the injector offset values are and then have PCM tuned to include the values for the injector offset voltage table

If this is not done the injector can be flowing at an incorrect firing cycle of the cylinder and cause incorrect fuel trim values.

As you notice the chart shows as the voltage is lower the offset delay is larger.


Attached Files injectoroffset.jpg

Team ZR-1
True Custom Performance Tuning
Teamzr1.com
#2802 - 09/28/08 09:38 AM Re: Injectors offset voltage times not created equal [Re: teamzr1]  
Joined: Dec 2000
Posts: 6,011
teamzr1 Online happy
Owner - Pays the bills
teamzr1  Online Happy
Owner - Pays the bills
Lives in Engine Bay

Joined: Dec 2000
Posts: 6,011
America
It has been recommended to fire injector earlier rather then later.

Firing the injectors too late can cause the fuel to wash down the cylinder wall causing excessive wear and oil contamination.

While firing the injector early will puddle fuel on the top of the valve, this does allow the fuel to absorb heat from the intake track and valve. This heat will help keep the fuel close to vaporization.

The longer it sits on top of the valve the more heat it can absorb. But this could also be very hazardous under boost, were you want the coolest charge possible.
It has been stated that fuel on the valve could cause carbon buildup.
I don’t believe this to be the case. Carbon buildup is most likely caused at the point where the exhaust valve is closing, the intake is opening and there is residual pressure in the chamber is higher then intake pressure (nearing TDC, just as the intake stroke starts).

Much like any other spring-mass system being driven by an electric current, opening of the injector is not an exact step change.

It takes a small amount of time to build up enough energy in the coil to begin to move the pintle of the injector off the seat and allow fuel to flow into the manifold.
The initial delay is known as “dead-time,” but is also followed by a period of exponential movement of the pintle until it hits the fully open position.
Likewise, closing the valve takes time as well. Once the current to the coil is removed, the pintle is pushed back to its seat by internal spring pressure as well as fuel pressure behind it. The difference between the opening delay and closing delays is called “injector offset.”

Remembering that fuel injectors are actuated by electromagnets, it is important to further understand how their performance can change. The strength of the electromagnet in the injector varies relative to voltage.

Having more voltage across the field of the coil increases the strength and allows the injector to open quicker. This in turn means that fuel begins to flow into the manifold slightly sooner if voltage is higher.

Knowing that cars almost never have constant voltage, the PCM needs to be able to adjust. A failed alternator, dead battery, or even normal cranking can send voltage to 11.5 or lower. Normal charging usually keeps voltage around 14 volts, and a failed voltage regulator can send output above 17 volts.

The bottom line here is that the same injector under these varying conditions can change its actual output by 40% or more. All modern PCMs have tables built into their software code to model this change, even if they aren’t overtly visible to the calibrator.
Various injectors exhibit different voltage compensation curves. While all injectors change relative to voltage in a similar manner, the exact offsets at a given voltage are slightly different as internal construction of the injector changes.
To best model the actual fuel delivery to the engine, it is ideal to accurately input the voltage compensation for the injector used. A quick Internet search can often yield the exact voltage offsets for most injectors.

To add more complexity, the actual flow rate changes based on pulsewidth. As the injector first opens, more fuel flows for the split-second that pressure differences are the highest.

Additionally, when the PCM commands an injector-opening event for a short duration, there is a tendency for the injector’s spring-mass system to overshoot the desired duration.
The net result is that at small pulsewidths, the injector tends to deliver fuel at a rate slightly higher than the static flow rate of the injector.

This often leads to modeling the injector with two different flow rates, one for the normal pulsewidths of cruising and power delivery and another for the shorter pulsewidths of idle and starting.

This in turn leads to the need to determine where this change, known as the “break point,” occurs. This break point is usually relatively small, on the order of 1 to 3 ms, so the effect is often only seen at idle and very low loads.
Again, entering this break point into the PCM routine allows for more accurate modeling of exactly how much fuel can be expected to enter the engine for a given commanded pulsewidth.


Team ZR-1
True Custom Performance Tuning
Teamzr1.com
#2803 - 09/28/08 02:55 PM Re: Injectors offset voltage times not created equal [Re: teamzr1]  
Joined: Dec 2000
Posts: 6,011
teamzr1 Online happy
Owner - Pays the bills
teamzr1  Online Happy
Owner - Pays the bills
Lives in Engine Bay

Joined: Dec 2000
Posts: 6,011
America
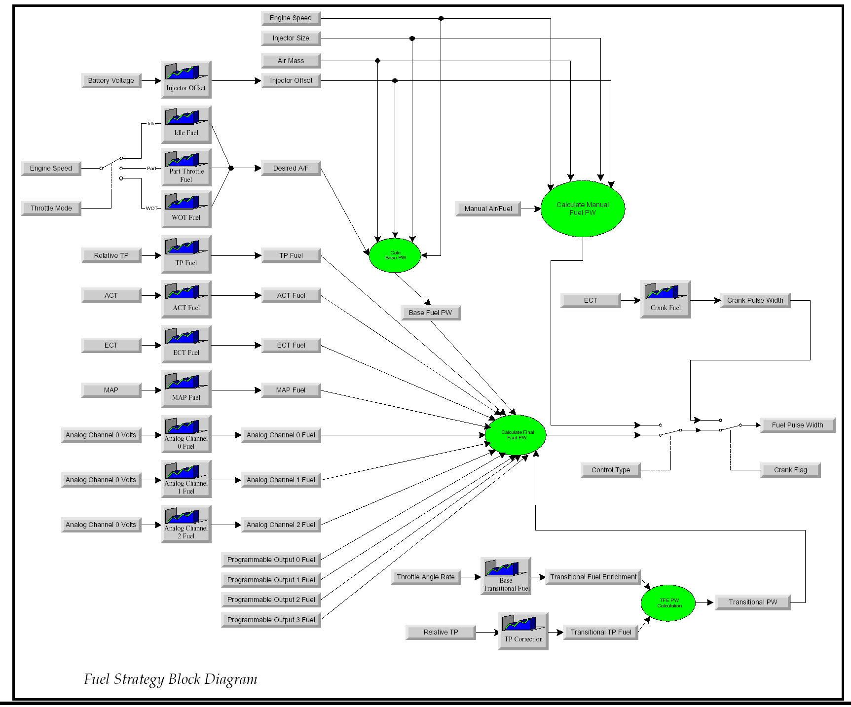
PCM fuel injector flow process

Attached Files injflow.jpg

Team ZR-1
True Custom Performance Tuning
Teamzr1.com
#2804 - 09/29/08 08:03 AM Re: Injectors offset voltage times not created equal [Re: teamzr1]  
Joined: Dec 2000
Posts: 6,011
teamzr1 Online happy
Owner - Pays the bills
teamzr1  Online Happy
Owner - Pays the bills
Lives in Engine Bay

Joined: Dec 2000
Posts: 6,011
America
After allowing the PCM to relearn over a few days driving we see in the only changes made was to the injector offset table that before was high lean conditions causing more fuel use and now fuel trims about perfect with a 2 MPG increase in saving fuel costs.

Attached Files Trims.jpg

Team ZR-1
True Custom Performance Tuning
Teamzr1.com
#2816 - 10/07/08 06:04 PM Re: Injectors offset voltage times not created equal [Re: teamzr1]  
Joined: Dec 2000
Posts: 6,011
teamzr1 Online happy
Owner - Pays the bills
teamzr1  Online Happy
Owner - Pays the bills
Lives in Engine Bay

Joined: Dec 2000
Posts: 6,011
America
Final test results on this project after another week of driving and PCM settling in on it's adaptive strategy

You notice that the fuel trims have remained around a perfect zero for both long and short terms.

Also the injector maximum duty cycle was only 73% and in this testrun flywheel horsepower was 461 yet the math shows for a 36 lb injector that would have been at the same HP thus data shows that the maximum injector needed in this run was 32 lb/hr.

This gives a pointer to how much the water/methanol injection and our smart 3D controller reduces the load on the injector and to increase fuel mileage.


Attached Files CSS-7-3.jpg

Team ZR-1
True Custom Performance Tuning
Teamzr1.com
#2820 - 10/09/08 12:12 PM Re: Injectors offset voltage times not created equal [Re: teamzr1]  

**DONOTDELETE**
Unregistered
tici
Unregistered


I just compared the injector offset voltage values of a 97-98 Corvette with those of a 98 LS1 Firebird (both stock programs!)

The Corvette has slightly higher values (example: 13.5 V and 60% load) Corvette = 0.4407, Firebird = 0.4103.

The injectors are the same (GM part # 12533952) and I think the PCM's are basically the same too.

Do you know why the offset values are different?


Thanks

Stefano

#2827 - 10/09/08 03:38 PM Re: Injectors offset voltage times not created equal [Re: ]  
Joined: Dec 2000
Posts: 6,011
teamzr1 Online happy
Owner - Pays the bills
teamzr1  Online Happy
Owner - Pays the bills
Lives in Engine Bay

Joined: Dec 2000
Posts: 6,011
America
That is about a 7% difference

I do not know as fact but I'd assume the difference is due to the CAM grinds are different.

Best is to experiment with this table and review scanner recordings to determine if you need to add or subtract from the stock values in that table.


Team ZR-1
True Custom Performance Tuning
Teamzr1.com
#2828 - 10/10/08 02:05 AM Re: Injectors offset voltage times not created equal [Re: teamzr1]  

**DONOTDELETE**
Unregistered
tici
Unregistered


OK I can try that.
Are there some kind of danger involved?
Like backfire or overheating some component?

#2829 - 10/10/08 05:15 AM Re: Injectors offset voltage times not created equal [Re: ]  
Joined: Dec 2000
Posts: 6,011
teamzr1 Online happy
Owner - Pays the bills
teamzr1  Online Happy
Owner - Pays the bills
Lives in Engine Bay

Joined: Dec 2000
Posts: 6,011
America
No not if you do small changes and then via scanner seeing if fuel trims go leaner or richer.
Try adding 10% to stock values and then another test taking out 10% from the stock values.
See where your car normally is as to voltage so if it runs mostly around 13.5 volts then change the rows in that area.

Once you have the values right for the makeup of your car then you can adjust the whole table to fit your engine's need.


Team ZR-1
True Custom Performance Tuning
Teamzr1.com
Page 1 of 3 1 2 3

Moderated by  teamzr1 

Who's Online Now
1 registered members (teamzr1), 4 guests, and 5 spiders.
Key: Admin, Global Mod, Mod
What's New
Only Owned 1 Day ZR1 Crashes & Killing Two
by teamzr1. 11/12/25 08:54 AM
Sick Prices for a Flipper 2026 ZR1
by teamzr1. 11/11/25 05:37 PM
Rumors - C8 GS & 6.6L Engines
by teamzr1. 11/11/25 09:51 AM
ZR1 fastest Rear-wheel Edmunds has Tested
by teamzr1. 11/08/25 06:40 PM
Must sign this when buying a new 2026 C8
by teamzr1. 11/06/25 02:14 PM
C8 Driver causes 5 car crash
by teamzr1. 11/03/25 06:22 PM
Popular Topics(Views)
Techie
Rumors - C8 GS & 6.6L Engines
by teamzr1. 11/11/25 09:51 AM
Must sign this when buying a new 2026 C8
by teamzr1. 11/06/25 02:14 PM
New Manual 6 speed same footprint as C8 DCT
by teamzr1. 11/03/25 04:19 PM
TTY - Torque To Yield Fastners
by teamzr1. 10/31/25 03:03 PM
GM Screws up the PDR function for 2026 MY
by teamzr1. 10/31/25 02:36 PM
Powered by UBB.threads™ PHP Forum Software 7.6.0